duromax xp10000e manual
EquipmentFacts.com | DUROMAX XP4400E Online Auctions we have 17 Images about EquipmentFacts.com | DUROMAX XP4400E Online Auctions like DuroMax XP10000E Generator Owners Manual, DuroMax XP10000E Generator Owners Manual and also XP12000EH - DuroMax. Here it is:
EquipmentFacts.com | DUROMAX XP4400E Online Auctions
duromax xp4400e
DuroMax XP5500HX Portable Dual Fuel Generator: Spec Review & Deals

duromax spec
Detailed Pictures Of The DuroMax XP10000E...

duromax generator carburetor protect run always below
Duromax Xp10000e Generator Owners Manual Rh Slideshare Net 3 Phase

duromax generac avr kentrade
DuroMax XP10000E -XP10000E

duromax
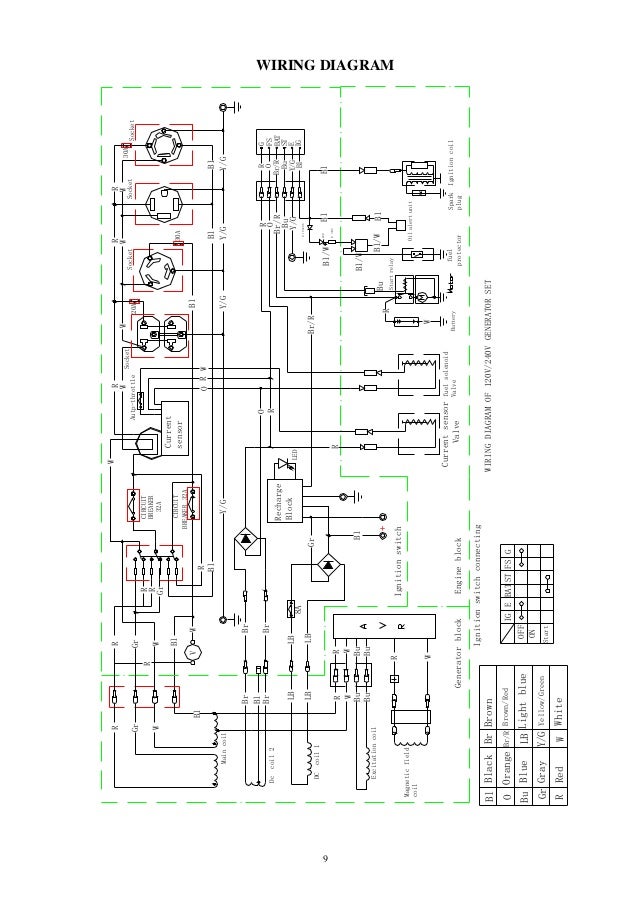
DuroMax XP10000E Generator Owners Manual

duromax
DuroMax XP13000EH VS XP13000HX - Spec & Feature Comparison

duromax vs outlets alert technology ac
DuroMax XP4000S

duromax cooled air watt generator hp ohv rv gas gasoline portable generators engine powered
DuroMax XP10000E Generator Owners Manual

manual duromax generator owners slideshare owner
DuroMax XP4400E

xp4400e duromax
Duromax Xp10000e Manual By Popunder.net - Issuu

DuroMax XP10000E Generator Owners Manual

duromax avr
XP12000EH - DuroMax

duromax propane 457cc duramax
DuroMax XP15000EH

duromax
DuroMax XP15000E

duromax generator twin portable gas powered electric start watt
DuroMax XP10000E Generator Owners Manual

manual duromax generator owners owner slideshare
DuroMax XP4000S 3300/4000W Portable Generator: Spec Review & Deals

duromax spec generator
Duromax xp10000e generator owners manual. Duromax xp4400e. Duromax xp10000e -xp10000e